青海消防栓与喷淋头安装规范
作者: 发布时间:2023-12-04 13:21:18点击:17201
本文是基于工程实例,并结合工程创优做法,总结了消火栓与喷淋头安装中的基本要求和注意事项。

1 、消火栓(箱)安装
➣ 消火栓(箱)安装基本要求:
1)消火栓栓口离地高度1.1m,栓口朝外。
2)单个消火栓不应安装在消防箱门轴侧。
3)消防箱箱体安装垂直度允许偏差3mm,安装完毕封闭多余孔洞及孔洞缝隙。
4)青海消火栓箱门易打开,开启角度不小于120°;采用石材等装饰材料的消防箱门应开启灵活(开启拉力≯50N);箱门外标识明显。
5)青海消火栓箱内水龙带、水枪、软管等安放到位。
消火栓安装在门开启侧

消火栓安装在门轴侧

消防箱孔洞缝隙封闭

消防箱孔洞有缝隙
➣ 消火栓(箱)安装注意事项:
1)消火栓支管以栓阀的坐标、标高定位甩口,核定后稳固青海消火栓箱,待箱体找正固定后再安装栓阀。青海消火栓箱安装的垂直度允许偏差为3mm。2)青海消火栓箱体若采用暗装或半暗装时,需在土建砌砖墙时,预留好青海消火栓箱洞,待青海消火栓箱就位找正找平后,用水泥砂浆填塞箱四周空间;明装时采用膨胀螺栓固定。安装在轻质隔墙上应有加固措施。3)箱体配件安装时,消防水龙带应折好放在挂架上卷实、盘紧;消防水枪竖放在箱体内侧,自救式水枪和软管放在挂卡上或放在箱底部。消防水龙带与水枪、快速接头的连接,一般采用16#铜丝绑扎两道,每道不少于两圈;使用卡箍时,在里侧加一道铜丝。

单栓消防箱安装

双栓消防箱安装

单栓带自救式消防卷盘箱安装

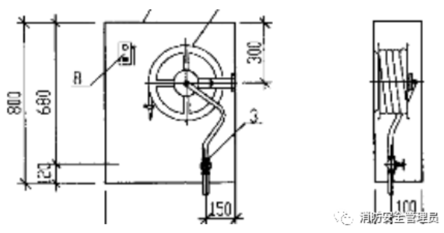
自救式消防卷盘箱安装
2、喷淋头安装
➣ 喷淋头安装基本要求:
1)喷头应居中安装(与装饰吊顶排版配合),与灯、烟感等成行成线。2)直立型、下垂型标准喷头溅水盘与顶板的距离为75~150mm。
喷头与灯、烟感、风口成一直线

喷头未居中安装
喷头安装长度过短

喷头安装长度过长

喷头安装离墙/梁太近
➣ 喷淋头安装注意事项:
1)喷头安装前应与精装天花吊顶布置图对照,优化喷头安装点位,防止与烟感、灯具、喇叭等装置冲突。2)明确精装吊顶面基准线和标高线,在龙骨调整定位后,测量喷头短管的长度并安装,防止短管过长或过短。· 当喷头安装在不到顶的隔断附近时,喷头与隔断的水平距离和最小垂直距离应符合下表的规定:

· 当喷头溅水盘高于附近梁底或宽度小于1.2m的风管、排管、桥架腹面时,喷头溅水盘高于梁底、风管、排管、桥架腹面的更大
垂直距离应符合下表的规定:

· 当梁、风管、排管、桥架宽度大于1.2m时,增设的喷头应安装在其腹面以下部位。